Pt1000TG7/M - sonda temperatury Pt1000 z kablem o długości 5m
Sonda temperatury z czujnikiem Pt1000.
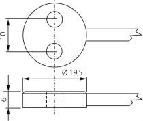
Mosiężna sonda powierzchniowa z kablem o określonej długości zakończonym wtyczką Mini DIN, zakres pracy od -30 do +200°C, dokładność ±(0,15+0,002 |t|). Średnica 18mm, grubość 6.5mm, połączenie 2 przewodowe. Montaż za pomocą wkręta M4 albo za pomocą taśmy dwustronnie klejącej.
Sonda nie jest odporna na wilgoć.
- 
									kodSN166M

 
         
         
         
         
         
         
         
         
         
         
         
									 
									 
									 
								 
								 
								 
													 
										 
										