Pt1000TG7/0 - sonda temperatury Pt1000 z kablem o długości 5m
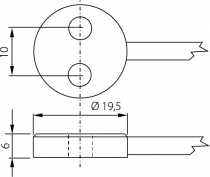
Sonda temperatury z czujnikiem Pt1000. Mosiężna sonda powierzchniowa z kablem o określonej długości, zakres pracy od -30 do +200°C, dokładność ±(0,15+0,002 |t|). Średnica 18mm, grubość 6.5mm, połączenie 2 przewodowe. Montaż za pomocą wkręta M4 albo za pomocą taśmy dwustronnie klejącej. Sonda nie jest odporna na wilgoć.
-
kodSN166
