Komora przepływowa do pomiaru sprężonego powietrza do 25 bar
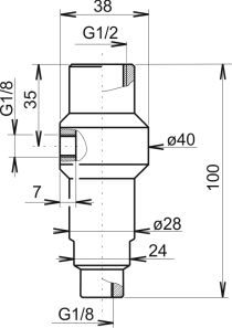
Komora przepływowa do pomiaru sprężonego powietrza do 25 bar - stal kwasoodporna DIN 1.4301, przyłącza wejściowe i wyjściowe - G1/8, przyłącze sondy wilgotności i temperatury - G1/2.
-
kodSH-PP
