Pt1000TG7/C - sonda temperatury Pt1000 z kablem o długości 2m
Sonda temperatury z czujnikiem Pt1000.
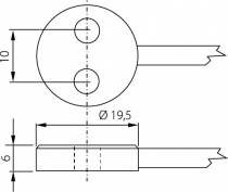
Mosiężna sonda powierzchniowa z kablem o określonej długości, zakres pracy od -30 do +200°C, dokładność ±(0,15+0,002 |t|). Średnica 18mm, grubość 6.5mm, połączenie 2 przewodowe. Montaż za pomocą wkręta M4 albo za pomocą taśmy dwustronnie klejącej.
Sonda nie jest odporna na wilgoć.
Kabel zakończony wtyczką CINCH.
Brass surface probe with cable of specified length, without connector. Range from -30 to +200°C, accuracy ±(0,15+0,002 |t|). Diameter 18mm, width 6.5mm, 2wires.
Mounting by a M4 srew or fixing by a self adhesive tape. IP65 protection.
Optionally also available with cable of various lengths. For other cable lengths use the selector.
-
kodSN165C
